КЛАПАНЫ РЕГУЛИРУЮЩИЕ ДВУХСЕДЕЛЬНЫЕ СЕРИИ КРД 65235 ПО ТУ 3742-14-05749211-2014 С МЕМБРАННЫМ РЫЧАЖНЫМ ПРИВОДОМ (регулятор давления).

КЛАПАНЫ РЕГУЛИРУЮЩИЕ ДВУХСЕДЕЛЬНЫЕ СЕРИИ КРД 65235 ПО ТУ 3742-14-05749211-2014 ПРЕДНАЗНАЧЕННЫ ДЛЯ РЕГУЛИРОВАНИЯ ДАВЛЕНИЯ, С ПРИМЕНЕНИЕМ МЕМБРАННОГО РЫЧАЖНОГО ПРИВОДА (регулятор давления)
Производитель: ОАО"Волгограднефтемаш"
Звоните, чтобы узнать цену

       Клапаны регуляторы давления прямого действия рычажные DN 25, 40, 50, 80, 100, 150, 200 PN 16, 25 кгс/см2 (далее - регуляторы), предназначенные для установки на трубопроводах, емкостях и сосудах с целью автоматического поддержания на заданном уровне давления рабочей среды до или после регуляторов (способы действия: "до себя" или "после себя").

Вид климатического исполнения по гост 15150 - У1.

Температура окружающей среды от минус 30С до плюс 50С.

Влажность окружающей среды от 30% до 80%.

При заказе регулятора указывается: обозначение изделия, таблица фигур, проход номинальный, рабочая среда (жидкая или газообразная), необходимость ответных фланцев, давление номинальное.

Пример записи при заказе и в другой документации регулятора DN50 PN16, "после себя", на диапазон регулируемого давления 1...5кгс/см2, из стали 12Х18Н9ТЛ, для газообразной среды (г), с ответными фланцами (ф): Клапан регулятор давления КРД 65235-050-02, 21нж10нж1, DN 50-Г-Ф PN16 ТУ 26-071324-83".

При отсутствии требований в заказе по исполнению регуляторов, регуляторы поставляются:

  • -по способу действия "после себя"; -на диапазон регулируемого давления 5...13 кгс/см2 для регуляторов DN 25...150, и на диапазон 5...8 кгс/см для регуляторов DN 200;
  • -предназначенными для жидких сред (ж);
  • -без ответных фланцев.

1.Технические требования

1.1 Клапаны регуляторы давления соответствуют требованиям ТУ, СТ ЦКБА 017 и комплекта конструкторской документации.

1.2 Основные технические данные и характеристики соответствуют указанным в таблицах. Диапазон регулирования давления: От 0,15 кгс/см2 до 13 кгс/см2 - для DN 25...150; От 0,15 кгс/см2 до 8 кгс/см2 - для DN 200.

1.3 Рабочая среда - жидкая или газообразная, нейтральная к материалам деталей, соприкасающихся со средой. Температура рабочей среды от минус 40 0С до плюс 300 0С. Температура управляющей среды внутри мембранной головки не более плюс 90С.

1.4 Установочное положение - вертикальное, мембранной головкой вверх. Отклонение от вертикальной оси не допускается.

1.5 Присоединительные фланцы по ГОСТ 12819, исполнение 5 ("паз") по ГОСТ 12815, ряд2.

1.6 Значение допустимого пропуска воды в затворе должно соответствовать указанному в таблице 4. Класс герметичности указывается при заказе (II, III или IV по ГОСТ 23866).

1.7 Регуляторы относятся к классу ремонтируемых, восстанавливаемых изделий.

Показатели надежности:

  • - полный средний срок службы – не менее 30 лет;
  • - полный средний ресурс - не менее 80 000 часов (40 000 циклов);
  • - средняя наработка на отказ - не менее 8 000 часов (4 000 циклов).

Перечень возможных отказов:

  • - заклинивание подвижных частей;
  • - пропуск рабочей среды через места прокладочных соединений и в сальниковой набивке, неустранимый дополнительной подтяжкой;
  • - срез резьбы.

Критериями предельных состояний являются:

- нарушение прочности и плотности корпусных деталей.

2 Указания по эксплуатации

2.1 Указания о подготовке к эксплуатации, о вводе в действие, неисправностях, повреждениях и способах их устранения, осмотрах и ремонтах приведены в руководстве по эксплуатации. 3апрещается эксплуатация клапанов при отсутствии эксплуатационной документации.

3 Гарантии изготовителя

3.1 Предприятие-изготовитель гарантирует качество изготовления и соответствие регуляторов требованиям настоящих ТУ при соблюдении потребителем условий эксплуатации, транспортирования и хранения, установленных настоящим ТУ.

3.2 Гарантийный срок эксплуатации - 18 месяцев со дня ввода в эксплуатацию, но не более 24 месяцев со дня отгрузки изделия потребителю. - гарантийная наработка не менее 10 000 часов (5 000 циклов).

3.3 Истечение гарантийного срока эксплуатации, либо завершение эксплуатации в пределах гарантийной наработки означает прекращение всех гарантийных обязательств изготовителя.

4 Описание и работа

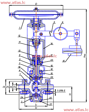
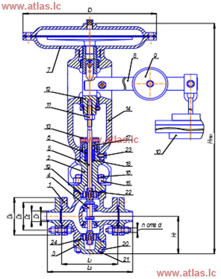
4.1 Устройство изделия Конструкция клапанов приведена на рисунках 1, 2.

Клапан регулятор давления состоит из корпуса 1, верхней крышки 2, нижней крышки 3, плунжера 4, штока 5, сальникового уплотнения 6, мембранной головки 7, корпуса привода 14, рычага 8 с грузами 9,10. Чувствительным элементом клапана регулятора давления является мембранная головка (далее МГ), мембрана которой под действием изменяющегося давления за регулятором или перед ним, взаимодействуя с рычажно – грузовой системой, перемещает регулирующий орган.

Обеспечение регулирования давления во всем диапазоне достигается применением грузов различной массы и трех сменных мембранных головок, каждая из которых соответствует определенному интервалу регулируемого давления в соответствии с таблицей 1. В пределах каждого интервала давления настройка осуществляется с помощью подвижного груза, имеющегося на рычаге.

При работе клапана регулятора давления в МГ заливается вода, которая служит промежуточной жидкостью, передающей на мембрану давление рабочей среды.

Настройка клапана регулятора давления на заданное регулируемое давление осуществляется подбором величины грузов и их расположением на рычаге. МГ соответствующего номера (размера) устанавливается в зависимости от требуемого диапазона настройки регулируемого давления. Отбор среды должен осуществляться в месте, где наблюдается установившейся поток. Выбор номера (размера) МГ и массы грузов в зависимости от диапазона регулирования давления производится в соответствии с таблицей 7.

4.2 Работа изделия

При работе клапаны регулятора давления прямого действия «после себя» рабочее (начальное) давление подается во входной патрубок. Проходное сечение регулятора в этот момент открыто за счет действия рычага с грузом на подвижную систему, рабочая среда поступает в трубопровод за регулятором, где давление начинает повышаться. Это давление благодаря импульсной трубке, соединяющей трубопровод за регулятором с МГ, начинает оказывать воздействие на мембрану в сторону, обратную действию груза. Когда усилие от давления среды на мембрану станет больше усилия, развиваемого грузом, подвижная система регулятора начнет перемещаться вниз, что приведет к закрытию проходного сечения регулятора плунжером и прекращению подачи среды за клапаном регулятором давления. При снижении давления из-за отбора среды потребителем действие клапана регулятора давления автоматически повторяется. При работе клапана регулятора давления прямого действия «до себя» рабочее (начальное) давление подается во входной патрубок. Проходное сечение регулятора в этот момент закрыто за счет действия рычага с грузом на подвижную систему. Благодаря импульсной трубке, соединяющей трубопровод до клапана регулятора давления с МГ, давление одновременно оказывает воздействие на мембрану в сторону, обратную действию груза. Когда усилие от давления среды на мембрану станет больше усилия, развиваемого грузом, подвижная система регулятора начнет перемещаться, что приведет к открытию 36 прохода регулятора, сбросу среды и снижению регулируемого давления до требуемой величины. При дальнейшем снижении давления действие клапана регулятора давления автоматически повторяется.

ссылка: полное описание основных технических данных и характеристик КЛАПАНЫ РЕГУЛИРУЮЩИЕ  ДВУХСЕДЕЛЬНЫЕ  СЕРИИ  КРД 65235 ПО ТУ 3742-14-05749211-2014 С ПРИМЕНЕНИЕМ МЕМБРАННОГО РЫЧАЖНОГО ПРИВОДА (регулятор давления).